Novedades en Torreselectronico.com

Les traemos las últimas novedades en el blog del Ing. Martín Torres. Los temas destacados del mes son:

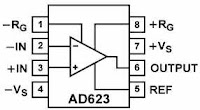
  1. Uso del Amplificador de Instrumentación «AD623»
  2. Aplicaciones de los conversores Sigma Delta
  3. Diseño de medidores de energía con dispositivos electrónicos
  4. Introducción al procesamiento de señales digitales

Uso del Amplificador de Instrumentación «AD623» Un amplificador de instrumentación debe ser un dispositivo capaz de lograr amplificaciones importantes, con muy bajo ruido, con alimentación simple o doble, bajo corrimiento en función de la temperatura, bajo consumo y variación de la salida hasta los límites de la alimentación es decir sin caída en la salida. Seguir leyendo…Aplicaciones de los conversores Sigma DeltaPresentaremos en este artículo una conjunto de conversores analógicos a digital de precisión pero de uso industrial. Estos conversores emplean un principio de funcionamiento denominado sigma delta, cuyos lineamientos teóricos se conocen desde mediados de siglo, pero debido a los requerimientos tecnológicos requeridos por su densidad de integración se pudieron implementar sólo recientemente. Seguir leyendo…Diseño de medidores de energía con dispositivos electrónicos Durante las últimas décadas la electrónica en sus distintas variantes, ha ido reemplazando en forma sostenida a dispositivos electromecánicos, como relevadores electrónicos, circuitos de disparo, etc. Uno de los últimos baluartes eran los medidores de energía eléctrica domiciliaria. Presentaremos aquí la implementación de un medidor utilizando el circuito integrado Analog Devices AD7755. Seguir leyendo… Introducción al procesamiento de señales digitales Probablemente el procesamiento digital de señales (DSP) es el área que más ha revolucionado a la tecnología electrónica e informática en este fin de siglo. DSP se distingue de otras áreas en las ciencias informáticas por manejar un único tipo de datos: señales. Seguir leyendo…